Budowa prostownika rozruchowego ze spawarki to praktyczne rozwiązanie dla osób, które chcą zaoszczędzić na zakupie gotowego urządzenia. Wiele spawarek, szczególnie te z transformatorami, mogą być przekształcone w prostowniki, które pomogą uruchomić silnik w trudnych warunkach. Jednak nie każda spawarka nadaje się do tego celu, dlatego ważne jest, aby najpierw sprawdzić jej parametry techniczne.
W artykule przedstawimy krok po kroku proces budowy prostownika rozruchowego, w tym wybór odpowiedniej spawarki, niezbędne materiały oraz zasady bezpieczeństwa. Dzięki tym informacjom, każdy majsterkowicz będzie mógł stworzyć własne urządzenie, które pomoże w awaryjnych sytuacjach, takich jak mroźne dni, kiedy akumulator może odmówić posłuszeństwa.
Najistotniejsze informacje:
- Nie każda spawarka nadaje się do budowy prostownika rozruchowego; ważne jest, aby sprawdzić jej charakterystykę napięcia i prądu.
- Do pomiaru napięcia na uzwojeniu wtórnym spawarki należy użyć miernika przy zasilaniu 230 V.
- Wymagana wartość napięcia dla prostownika to około 17–18 V, co można osiągnąć przez odpowiednie obliczenia dotyczące zwojów.
- Budowa prostownika wymaga użycia mostka diodowego oraz odpowiednich zabezpieczeń, aby uniknąć uszkodzenia akumulatora.
- Samodzielna budowa prostownika może być kosztowna i skomplikowana, a czasami lepiej zainwestować w gotowe rozwiązanie.
Jak przygotować się do budowy prostownika rozruchowego ze spawarki?
Przed przystąpieniem do budowy prostownika rozruchowego ze spawarki, kluczowe jest wybranie odpowiedniego urządzenia. Nie każda spawarka nadaje się do tego celu, dlatego należy upewnić się, że jej transformator ma odpowiednią charakterystykę. Spawarki przeznaczone do spawania elektrodami otulonymi często mają transformatory o charakterystyce ostro opadającej, co może utrudniać uzyskanie stabilnego napięcia podczas rozruchu. Dlatego ważne jest, aby przed podjęciem decyzji dokładnie sprawdzić specyfikacje techniczne spawarki.
Oprócz wyboru spawarki, niezbędne będą również odpowiednie materiały i narzędzia. Wśród nich znajdą się diody mocy, mostek diodowy, radiator oraz miernik napięcia. Kluczowe jest także posiadanie narzędzi, takich jak wkrętaki, lutownica i przewody elektryczne. Zgromadzenie wszystkich tych elementów przed rozpoczęciem budowy pozwoli na sprawniejsze i bezpieczniejsze wykonanie prostownika rozruchowego.
Wybór odpowiedniej spawarki do budowy prostownika rozruchowego
Wybierając spawarkę do budowy prostownika rozruchowego, należy zwrócić uwagę na typ transformatora. Spawarki transformatorowe są zazwyczaj lepszym wyborem, ponieważ oferują stabilniejsze napięcie. Warto również upewnić się, że spawarka ma odpowiednią moc, aby mogła dostarczyć wymagany prąd podczas rozruchu silnika. W przypadku spawarek inwertorowych, ich charakterystyka może być mniej korzystna, co sprawia, że nie zawsze nadają się do konwersji na prostownik. Dobrze jest również sprawdzić, czy spawarka ma możliwość regulacji napięcia, co ułatwi dostosowanie jej do potrzeb budowy prostownika.
Niezbędne materiały i narzędzia do konstrukcji
Aby zbudować prostownik rozruchowy ze spawarki, potrzebne będą odpowiednie materiały i narzędzia. Właściwe przygotowanie pozwoli na efektywne i bezpieczne wykonanie projektu. Wśród materiałów znajdują się elementy, które zapewnią stabilne działanie prostownika oraz narzędzia, które ułatwią jego montaż.
- Spawarka transformatorowa - kluczowy element, który należy wybrać, aby zapewnić odpowiednie napięcie i prąd.
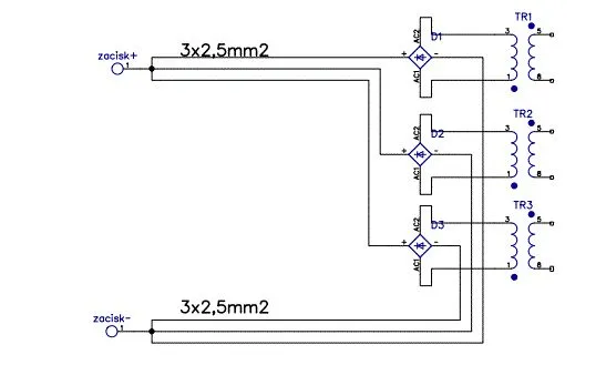
- Mostek diodowy - złożony z czterech lub sześciu diod mocy, zapewniający konwersję prądu zmiennego na stały.
- Diody mocy - muszą mieć zdolność przewodzenia prądu o wartości co najmniej 50–100 A, np. diody 1N1184R.
- Radiator - niezbędny do odprowadzania ciepła, aby diody nie przegrzewały się podczas pracy.
- Miernik napięcia - do sprawdzania napięcia na uzwojeniu wtórnym spawarki, np. multimetr UNI-T UT61E.
- Przewody elektryczne - do połączeń między elementami prostownika, najlepiej o dużym przekroju, np. przewody 16 mm².
- Lutownica - do trwałego łączenia elementów elektrycznych, np. lutownica Weller WLC100.
Krok po kroku: Jak zbudować prostownik rozruchowy ze spawarki?
Budowa prostownika rozruchowego ze spawarki wymaga kilku kroków. Na początku należy sprawdzić napięcie na uzwojeniu wtórnym spawarki. Podłączając miernik do uzwojenia wtórnego, można zmierzyć napięcie przy zasilaniu 230 V. Jeśli napięcie wynosi około 17–18 V, można przejść do dalszych etapów. W przeciwnym razie konieczne będzie obliczenie ilości zwojów na 1 wolt oraz ewentualne dodanie dodatkowego uzwojenia.
Po uzyskaniu odpowiedniego napięcia, przystępujemy do montażu mostka diodowego oraz innych elementów prostownika. Mostek diodowy należy zamontować na radiatorze, aby zapewnić odpowiednie chłodzenie. Ważne jest, aby wszystkie połączenia były solidne i dobrze izolowane. Tak przygotowany prostownik będzie gotowy do użycia, jednak powinien być podłączany tylko na czas rozruchu, aby uniknąć uszkodzenia akumulatora lub rozrusznika.
Sprawdzanie napięcia i uzwojeń spawarki w praktyce
Aby prawidłowo zbudować prostownik rozruchowy ze spawarki, kluczowym krokiem jest sprawdzenie napięcia i uzwojeń spawarki. Proces ten wymaga użycia miernika napięcia, który pozwoli na dokładne zmierzenie wartości na uzwojeniu wtórnym. Należy podłączyć miernik do uzwojenia wtórnego przy włączonym zasilaniu 230 V, co pozwoli na uzyskanie informacji o aktualnym napięciu. Jeśli zmierzone napięcie wynosi około 17–18 V, jest to wartość odpowiednia do dalszych działań. W przeciwnym razie, konieczne będzie obliczenie ilości zwojów na 1 wolt, co pomoże w dostosowaniu uzwojeń spawarki do wymagań prostownika.
Montaż mostka diodowego i zabezpieczeń w prostowniku
Podczas budowy prostownika rozruchowego niezwykle ważny jest montaż mostka diodowego, który ma kluczowe znaczenie dla konwersji prądu zmiennego na stały. Mostek diodowy składa się zazwyczaj z czterech diod mocy, które należy starannie umieścić na radiatorze, aby zapewnić odpowiednie chłodzenie. Bezpieczeństwo jest kluczowe; wszystkie połączenia muszą być dobrze izolowane, aby uniknąć zwarcia. Dodatkowo, warto zainstalować zabezpieczenia przed przepięciami oraz ograniczenia prądowe, ponieważ rozruch silnika może wymagać znacznych wartości prądu, sięgających 200 A. Te elementy zabezpieczające pomogą chronić zarówno prostownik, jak i akumulator przed uszkodzeniami.
Czytaj więcej: Jaką spawarkę TIG do nauki wybrać, aby uniknąć błędów?
Bezpieczeństwo podczas budowy prostownika rozruchowego
Podczas budowy prostownika rozruchowego ze spawarki niezwykle ważne jest przestrzeganie zasad bezpieczeństwa. Praca z urządzeniami elektrycznymi wiąże się z ryzykiem porażenia prądem, dlatego należy zachować szczególną ostrożność. Kluczowe jest, aby przed przystąpieniem do jakichkolwiek działań upewnić się, że wszystkie urządzenia są wyłączone oraz że używane są odpowiednie narzędzia. Pamiętaj, że zrozumienie zasad bezpieczeństwa pomoże uniknąć niebezpiecznych sytuacji.
Ważne zasady bezpieczeństwa obejmują kilka kluczowych punktów. Po pierwsze, zawsze używaj izolowanych narzędzi, aby zminimalizować ryzyko porażenia prądem. Po drugie, noś odpowiednie wyposażenie ochronne, takie jak rękawice i okulary, aby chronić się przed iskrami i odłamkami. Po trzecie, upewnij się, że miejsce pracy jest dobrze oświetlone i wentylowane, co pomoże w uniknięciu wypadków. Wreszcie, zawsze miej pod ręką gaśnicę, aby szybko zareagować w przypadku pożaru spowodowanego zwarciem lub innymi czynnikami.
Kluczowe zasady bezpieczeństwa przy pracy z prądem
Pracując z komponentami elektrycznymi, należy przestrzegać kluczowych zasad bezpieczeństwa. Przede wszystkim, zawsze upewnij się, że urządzenia są odłączone od źródła zasilania przed rozpoczęciem jakichkolwiek prac. Zastosowanie izolowanych narzędzi jest niezbędne, aby zminimalizować ryzyko porażenia prądem. Kolejną ważną zasadą jest unikanie pracy w mokrych lub wilgotnych warunkach, ponieważ zwiększa to ryzyko porażenia. Dodatkowo, nigdy nie dotykaj gołych przewodów, a wszelkie połączenia elektryczne powinny być starannie izolowane. Pamiętaj, że lepiej jest być ostrożnym niż żałować w przypadku wypadku.
Problemy i rozwiązania: Co robić, gdy prostownik nie działa?
Podczas korzystania z prostownika rozruchowego ze spawarki mogą wystąpić różne problemy, które mogą uniemożliwić jego prawidłowe działanie. Najczęstsze usterki obejmują brak napięcia, przegrzewanie się diod oraz niewłaściwe połączenia elektryczne. Ważne jest, aby zidentyfikować te problemy na wczesnym etapie, aby uniknąć poważniejszych uszkodzeń. W przypadku wystąpienia problemów, kluczowe jest przeprowadzenie diagnostyki i zastosowanie odpowiednich rozwiązań, aby przywrócić funkcjonalność prostownika.
Rozwiązania dla typowych problemów mogą obejmować kilka kroków. Jeśli prostownik nie działa, pierwszym krokiem jest sprawdzenie połączeń elektrycznych, aby upewnić się, że są solidne i dobrze izolowane. W przypadku braku napięcia, należy ponownie zmierzyć napięcie na uzwojeniu wtórnym spawarki. Jeśli diody się przegrzewają, warto zainstalować dodatkowy radiator lub poprawić wentylację. W przypadku wykrycia uszkodzenia diod, konieczna będzie ich wymiana na nowe, o odpowiednich parametrach.
Najczęstsze usterki i ich diagnozowanie
Wśród najczęstszych usterek prostownika rozruchowego można wyróżnić kilka kluczowych problemów. Po pierwsze, brak napięcia może być spowodowany uszkodzeniem transformatora lub niewłaściwymi połączeniami. Po drugie, przegrzewanie się diod często wskazuje na ich niewłaściwy dobór lub brak odpowiedniego chłodzenia. Wreszcie, zwarcia mogą występować w wyniku uszkodzeń izolacji przewodów. Aby skutecznie diagnozować te problemy, należy systematycznie sprawdzać każdy z elementów prostownika.
| Usterka | Objawy | Rozwiązanie |
|---|---|---|
| Brak napięcia | Brak reakcji na podłączenie | Sprawdzenie połączeń i mierzenie napięcia na uzwojeniu |
| Przegrzewanie diod | Wysoka temperatura, możliwe uszkodzenia | Zainstalowanie dodatkowego radiatora lub poprawa wentylacji |
| Zwarcia | Iskrzenie, dymienie | Sprawdzenie izolacji przewodów i wymiana uszkodzonych elementów |

DIY vs. gotowy prostownik rozruchowy: Co wybrać?
Decydując się na budowę prostownika rozruchowego, warto rozważyć zarówno opcję DIY, jak i zakup gotowego urządzenia. Samodzielna konstrukcja może być satysfakcjonującym projektem, który pozwala na dostosowanie prostownika do własnych potrzeb. Jednakże, koszt materiałów i czas potrzebny na budowę mogą być znaczące. Z drugiej strony, gotowe prostowniki są dostępne na rynku i oferują wygodę oraz gwarancję, ale mogą być droższe.
Wybór między DIY a gotowym rozwiązaniem zależy od indywidualnych preferencji i umiejętności. Zaletą budowy własnego prostownika jest możliwość dostosowania go do specyficznych wymagań, co może być korzystne w przypadku rzadziej spotykanych zastosowań. Z kolei gotowe prostowniki często oferują lepsze zabezpieczenia i są przetestowane pod kątem bezpieczeństwa. Ostatecznie, decyzja powinna być oparta na analizie kosztów, umiejętności oraz potrzeb użytkownika.
Zalety i wady samodzielnej budowy prostownika rozruchowego
Samodzielna budowa prostownika rozruchowego ma swoje zalety i wady. Do głównych zalet należy możliwość dostosowania urządzenia do własnych potrzeb oraz potencjalna oszczędność kosztów, jeśli posiadasz już część materiałów. Dodatkowo, projekt DIY może być satysfakcjonującym doświadczeniem, które rozwija umiejętności techniczne. Z drugiej strony, wady obejmują czasochłonność oraz ryzyko, że urządzenie nie będzie działać tak efektywnie jak gotowy produkt. W przypadku braku doświadczenia, istnieje również ryzyko popełnienia błędów, które mogą prowadzić do uszkodzenia prostownika lub innych elementów.
Jak wykorzystać prostownik rozruchowy w innych zastosowaniach?
Po zbudowaniu prostownika rozruchowego ze spawarki, warto rozważyć jego zastosowanie w innych obszarach, które mogą przynieść dodatkowe korzyści. Prostownik można wykorzystać nie tylko do uruchamiania silników, ale także do ładowania akumulatorów w pojazdach, które rzadko są używane, takich jak motocykle czy łodzie. Dzięki temu, że prostownik dostarcza stabilne napięcie, można go również zastosować do zasilania urządzeń elektronicznych w sytuacjach awaryjnych, gdzie dostęp do energii elektrycznej jest ograniczony.
W przyszłości, rozwój technologii może umożliwić jeszcze bardziej zaawansowane zastosowania prostowników rozruchowych. Na przykład, integracja z systemami inteligentnego zarządzania energią może pozwolić na automatyczne monitorowanie stanu akumulatorów oraz optymalizację procesu ładowania. Dodatkowo, z wykorzystaniem odnawialnych źródeł energii, takich jak panele słoneczne, prostownik mógłby stać się częścią systemu zasilania, który nie tylko wspierałby pojazdy, ale również domowe urządzenia w czasie awarii prądu. Takie innowacje mogą znacznie zwiększyć funkcjonalność prostownika, czyniąc go nieocenionym narzędziem w codziennym użytkowaniu.
